您好,欢迎访问上海绚普电子科技有限公司!

光电继电器
您的位置: 主页 > 产品中心 > 丽太(LETEX) > 光电继电器

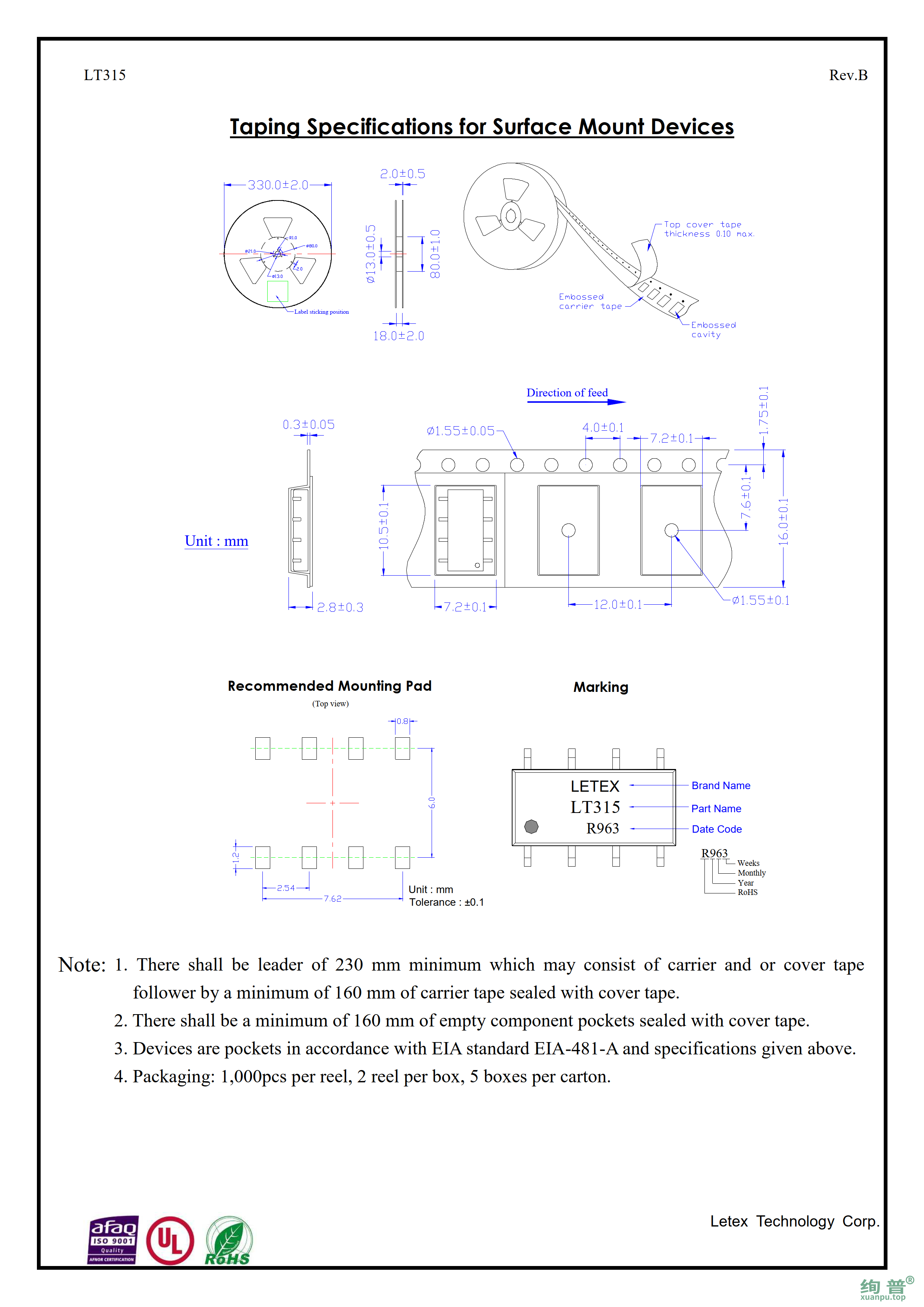
LT315

封装:
SOP8
接点:
2A
负载类型:
AC/DC
负载电压:
60V
负载电流:
0.4A
通态电阻:
  • 产品详情




    可替代OKITA:AC37S;NAIS :AQW212S;TOSHIBA :TLP206A ;IXYS :CPC2014N;COTO :C326S。
标签:

咨询:LT315

Copyright © 2023-2023 上海绚普电子科技有限公司 版权所有 备案号:沪ICP备19025686号-1

021-34291916