您好,欢迎访问上海绚普电子科技有限公司!

光电继电器
您的位置: 主页 > 产品中心 > 丽太(LETEX) > 光电继电器

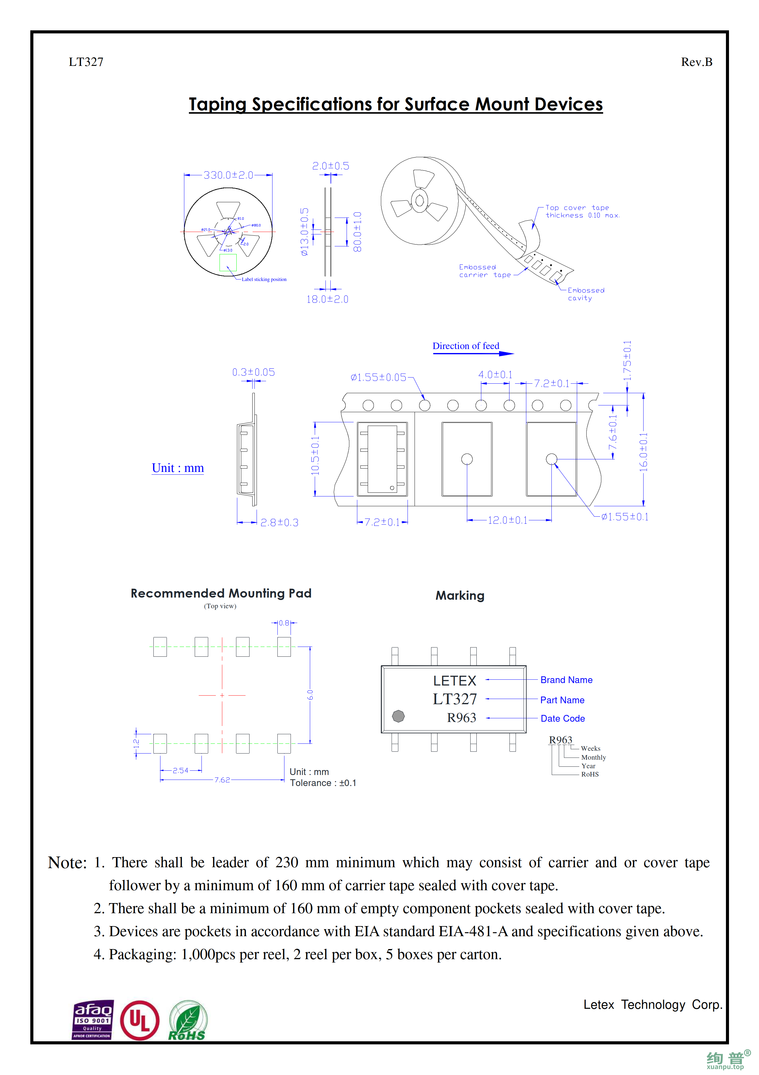
LT327

封装:
SOP8
接点:
2A
负载类型:
AC/DC
负载电压:
600V
负载电流:
0.08A
通态电阻:
35Ω
  • 产品详情




    可替代NAIS :AQW216;COTO :C338S;COSMO :KAQW213S。
标签:

咨询:LT327

Copyright © 2023-2023 上海绚普电子科技有限公司 版权所有 备案号:沪ICP备19025686号-1

021-34291916