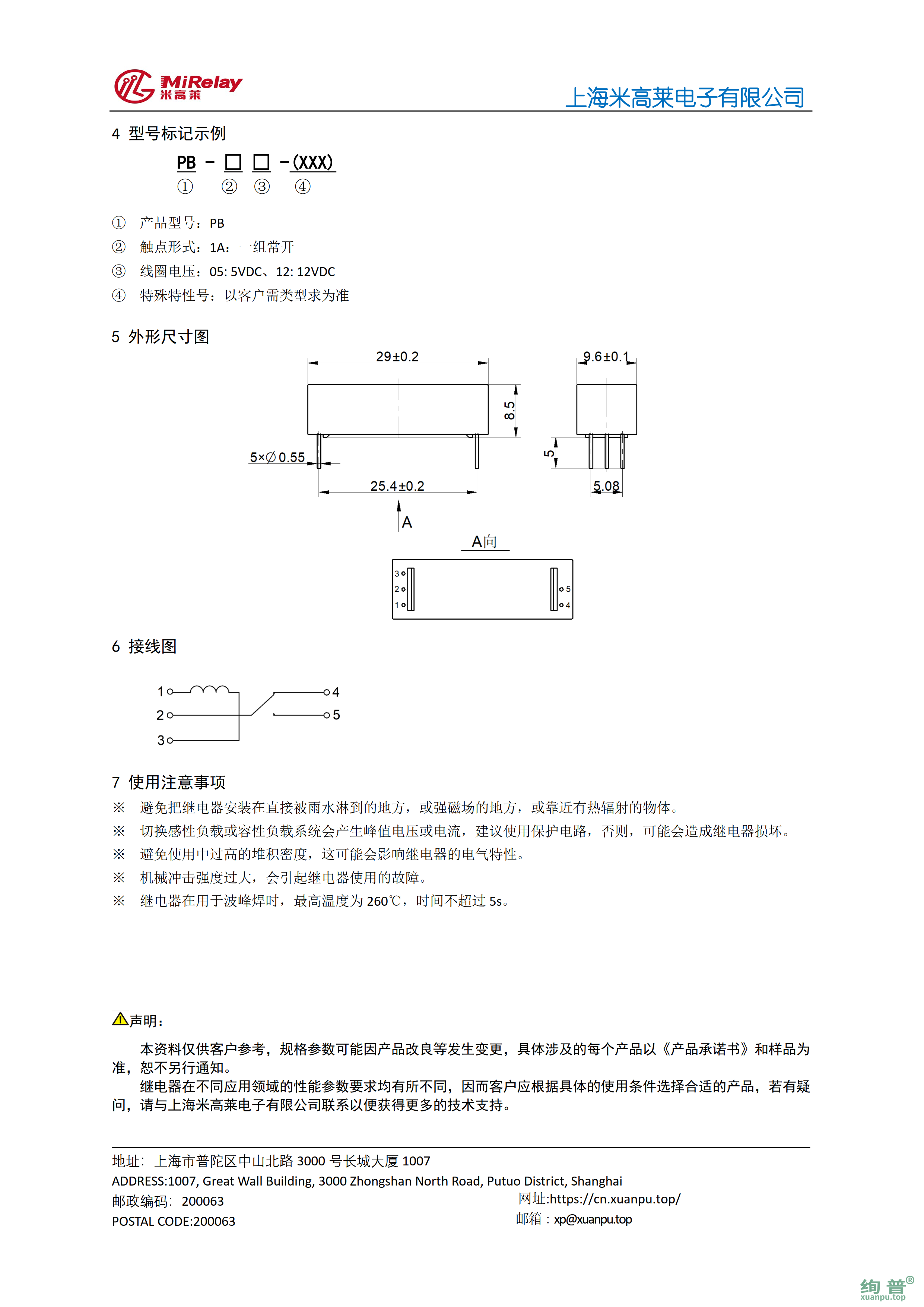
PB-1C05
线圈电压:
DC5V
触点形式:
1C
切换功率:
5W
切换电压:
200VDC
介质耐压:
500VDC
安装方式:
直插式
附加功能:
标准
- 咨询热线:021-34291916
-
产品详情


咨询:PB-1C05

English


